
耐圧防爆アナログPTZカメラ
PTC-EP-RC300-OB
在庫限り
耐圧防爆構造:ExdⅡBT4
防塵防水性能:IP65
価格:オープン価格
Zone1
Zone2
製品の特長
旋回型の防爆アナログカメラ
- 水素・アセチレン・二硫化炭素等すべての爆発性ガスに対応した耐圧防爆仕様(0種場所を除く)
- RS485通信による旋回制御により、水平360°、垂直±90°の首振り可能
- 36倍光学ズーム搭載
- 正立据置型と天吊型のどちらにも対応(ご注文時にご指定ください)
- 映像ケーブル、通信ケーブルの同軸重畳モデルあり
接続例


機器仕様
| 型式 | PTC-EP-RC300-OB | |
|---|---|---|
| ハウジング | 材質 | アルミニウム合金鋳物 及び ステンレス鋼 |
| 塗装 | マンセル5Y7/1 8分ツヤ | |
| 防爆性能 | 耐圧防爆構造 ExdⅡBT4 【型式検定合格番号:第TC14207号】 | |
| 防塵防水性能 | IP65 [JIS C 0920 防噴流形] | |
| 電源 | 給電 | AC 100V±10% 50/60Hz |
| 消費電力 | 150W(最大) | |
| カメラ性能 | 撮像素子 | 1/4インチ CCD 固体撮像素子 |
| 最低被写体照度 | 0.1lux [カラー,F1.6,1/4秒) 0.01lux [白黒,F1.6,1/4秒] | |
| 回転角度 | 水平 約360° ±2°, 垂直 上向約90° ±2° 下向約90° ±2° | |
| 回転速度 | 水平 約36°/秒, 垂直 約12°/秒 [プリセット時]
水平 約2°/秒, 約6°/秒, 約12°/秒,垂直 約1°/秒, 約3°/秒, 約6°/秒 [マニュアル時] |
|
| 通信規格 | 同軸重量又はRS-485(シリアル通信) | |
| 送信方式 | 半二重通信(双方向) | |
| レンズ性能 | 種類 | ズームレンズ 光学ズーム36倍 電子ズーム12倍 |
| 焦点距離 | f=3.4~122.4mm | |
| 画角 | 水平 57.8°~1.7° | |
| その他 | オートフォーカス、オートアイリス | |
| ビデオ性能 | 最大解像度 | 530TV本以上 |
| S/N比 | 50db以上 | |
| 映像出力 | NTSC方式準拠,VBS 1Vp-p/75Ω | |
| 適合ケーブル径※ | Φ8 ~ 10mm または Φ10 ~ 12mm | |
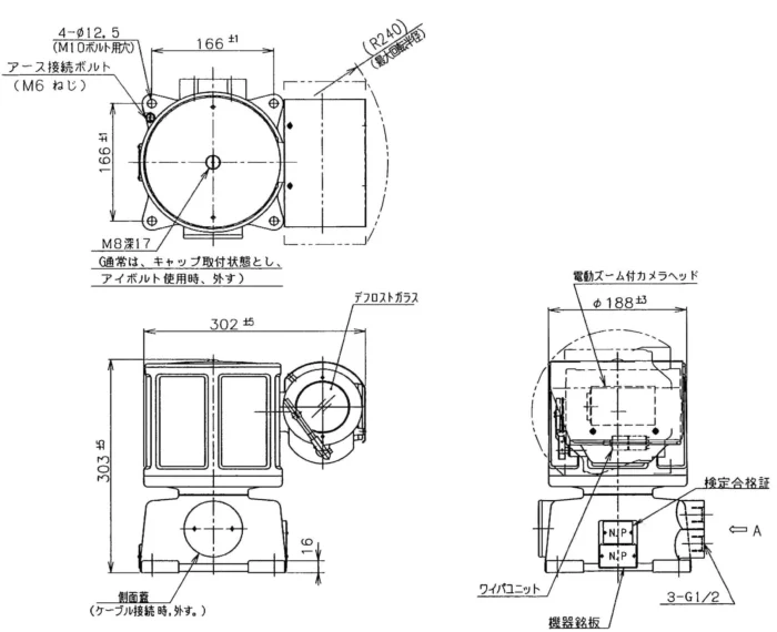
| 外形寸法 | W 302±5mm x H 303±5mm x D188±5 | |
| 重量 | 約15㎏ | |
| 使用環境 | -10℃~+50℃ , 35~95%RH以下,結露・氷結なきこと ※但し、0℃以下は通電状態とし、連続運転動作時(オートパン・プリセット動作時)は+40℃以下とします。 動作風速: 40m/秒 以下 耐風速: 60m/秒 以下 |
|
※ ケーブルは付属しません。
外形図

オプション品
同軸重畳ユニット
コントローラ
