
耐圧防爆旋回型ネットワークカメラ
HEIPTZ-5301W-IR
HEIPTZ-5321W-IR
(Honeywell社製)
耐圧防爆構造:ExdbⅡCT6…T5Gb
容器による粉じん防爆構造:ExtbⅢCT80℃…T95℃ Db
防塵防水性能:IP66,IP67,IP68
価格:オープン価格
Zone1
Zone2
Zone21
Zone22
製品の特長
赤外線ライト搭載の旋回型防爆IPカメラ
- 水素・アセチレン・二硫化炭素等すべての爆発性ガスに対応した耐圧防爆仕様(0種場所を除く)の旋回型カメラ
- 防爆エリア(Zone1,2,21,22)で使用可能な、耐圧防爆構造および容器による粉じん防爆構造
- 赤外線ライト搭載で0lux環境下での監視が可能
- ワイパー、内部ヒーターを搭載し、全天候に対応
接続例


シリーズ比較表
| HEIPTZ-5301W-IR | HEIPTZ-5321W-IR | ||
| インターフェース | RJ45インターフェース | RJ45インターフェース FC光ファイバーインターフェース |
|
| 複合ケーブル(付属品) | 非外装ケーブル 10m | 外装ケーブル 10m | |
機器仕様
| 型式 | HEIPTZ-5301W-IR | HEIPTZ-5321W-IR | |
|---|---|---|---|
| ハウジング材質 | 316L ステンレス鋼 | ||
| 防爆性能 | 耐圧防爆構造 ExdbⅡCT6…T5Gb (水素・アセチレン・二硫化炭素を含む全ての爆発性ガスに適合,但し0種場所を除く) 容器による粉じん防爆構造 ExtbⅢCT80℃…T95℃ Db |
||
| 防塵防水性能 | IP66,IP67,IP68 | ||
| 電源 | 給電 | 100 ~ 240V AC,50/60Hz | |
| 消費電力 | 1.0A(最大) | ||
| カメラ性能 | 撮像素子 | 1/2.8インチ プログレッシブスキャン COMS | |
| 最低被写体照度 | 0.005 lux[カラー],0.0005 lux[白黒] 0 lux[白黒 IRオン,F1.6] |
||
| シャッター速度 | 1/30,000秒 ~ 1秒 | ||
| パン・チルト・ズーム | パン:360° 0.1° ~ 40°/秒,チルト:±90° 0.1° ~ 40°/秒, ズーム:光学30倍,デジタル16倍 |
||
| その他 | デイナイト機能,ワイドダイナミックレンジ,霧低減 | ||
| レンズ性能 | 焦点距離 | 5.3 ~ 159mm | |
| F値 | F1.6 ~ 4.3 | ||
| 画角 | 水平:56.62º ~ 2.48°, 垂直:42.76 ~ 1.91º | ||
| アイリス | Pアイリス | ||
| ビデオ性能 | 最大解像度 | 2,592×1,944 | |
| フレームレート | 30フレーム/秒 | ||
| 圧縮形式 | H.264,H.265HEVC,MotionJPEG | ||
| 赤外線ライト | 赤外線距離 | 200m | |
| 制御 | スマートIR(自動 / 手動) | ||
| 適合ケーブル (映像・制御) |
LANケーブル(10Base-T / 100Base-TX) RJ-45コネクタ |
FC光ファイバーケーブル | |
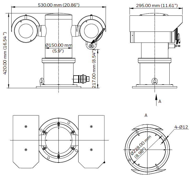
| 外形寸法 | W 530mm,D 300mm,H 425mm | ||
| 重量 | 43.5kg (梱包重量 47kg) | ||
| 使用環境 | T5:-40ºC ~ +60ºC @45.4W T6:-40ºC ~ +60ºC @36.5W 最大95%RH, 結露なきこと ヒーター内蔵 |
||
外形図

