
耐圧防爆ドーム型ネットワークカメラ
RC-360シリーズ
耐圧防爆構造:ExdⅡCT6
防塵防水性能:IP66
価格:オープン価格
Zone1
Zone2
製品の特長
旋回機能を備えた高機能・高画質の防爆IPドームカメラ
- 水素・アセチレン・二硫化炭素等すべての爆発性ガスに対応した耐圧防爆仕(0種場所を除く)
- LANケーブル1本でデータ通信、電力供給可能
- 100m以上の長距離敷設にも対応した同軸LANコンバータ内臓モデルあり
- サージプロテクター内蔵可能(オプション)
接続例


シリーズ比較表
| RC-360BL/B | RC-360DL/D | ||
| 内蔵カメラ | AXIS P5655-E | Canon VB-H47(BK) | |
| 消費電力 | 同軸変換なし | PoE+ (Class4) 19W | PoE (Class3) 9.1W |
| 同軸変換あり | 21.5W | 13.1W | |
| 使用温度範囲 | -20℃~+40℃ | -10℃~+40℃ | |
機器仕様
RC-360BL/B
| 型式 | RC-360BL | RC-360B(同軸/LANコンバータ内蔵) | |
|---|---|---|---|
| 電源 | 給電 | PoE+ Class4(オプションでサージプロテクション内蔵可) | |
| 消費電力 | 19W | 21.5W | |
| カメラ性能 | 撮像素子 | 1/2.8インチ プログレッシブスキャン CMOS | |
| 最低被写体照度 | 0.10 lux [カラー] 0.01 lux [白黒] | ||
| シャッター速度 | 1/66,500秒 ~ 2秒 [WDRオフ時] | ||
| パン・チルト・ズーム | パン:360ºエンドレス 0.1º/秒 ~ 350º/秒,チルト:180º 0.1º/秒 ~ 350º/秒, ズーム:光学32倍,デジタル12倍 ※テレ側では微細な歪みあり |
||
| その他 | デイナイト機能,デジタルズーム機能 | ||
| レンズ性能 | 種類 | 電動ズームレンズ(オートフォーカス,オートアイリス機能付) | |
| 焦点距離 | 4.3 ~ 137.6 mm | ||
| F値 | F1.4 ~ 4.0 | ||
| 画角 | 水平 58.3° ~ 2.4°, 垂直 35.5° ~ 1.4° | ||
| ビデオ性能 | 最大解像度 | 1,920×1,080 (約200万画素) | |
| フレームレート | 50フレーム/秒[電源周波数設定 50Hz] 60フレーム/秒[電源周波数設定 60Hz] | ||
| 圧縮形式 | H.265,H.264,MotionJPEG | ||
| ONVIF Profile | ONVIF® Profile G,ONVIF® Profile M,ONVIF® Profile S,ONVIF® Profile T | ||
| 付属品 | – | 受信側同軸LANコンバータ(非防爆屋内用) | |
| 重量 | 約13.6kg | 約13.7kg | |
| 使用環境 | -20°C ~ +40°C,45% ~ 85%RH,結露・氷結なきこと 天吊・下向き設置 必須 |
||
※RC-360BL/Bの内蔵カメラユニットはAXIS「P5655-E」です。
RC-360DL/D
| 型式 | RC-360DL | RC-360D(同軸/LANコンバータ内蔵) | |
|---|---|---|---|
| 電源 | 給電 | PoE Class3(オプションでサージプロテクション内蔵可) | |
| 消費電力 | 9.1W | 13.1W | |
| カメラ性能 | 撮像素子 | 1/2.8インチ プログレッシブスキャン CMOS | |
| 最低被写体照度 | 0.02 lux [カラー] 0.003 lux [白黒] | ||
| シャッター速度 | 1/37,000秒 ~ 2秒 [WDRオフ時] | ||
| パン・チルト・ズーム | パン:340º 最大150º/秒,チルト:100º(水平方向を0 ºとする) 最大150º/秒, ズーム:光学20倍,デジタル16倍 ※テレ側では微細な歪みあり |
||
| その他 | デイナイト機能,デジタルズーム機能 | ||
| レンズ性能 | 種類 | 電動ズームレンズ(オートフォーカス機能付) | |
| 焦点距離 | 4.7 ~ 94 mm | ||
| F値 | F1.6 ~ 3.5 | ||
| 画角 | 水平 62.4° ~ 3.3° 垂直 36.3° ~ 1.9° | ||
| ビデオ性能 | 最大解像度 | 1,920×1,080 (約200万画素) | |
| フレームレート | 50フレーム/秒[電源周波数設定 50Hz] 60フレーム/秒[電源周波数設定 60Hz] | ||
| 圧縮形式 | H.265,H.264,MotionJPEG | ||
| ONVIF Profile | ONVIF® Profile G,ONVIF® Profile S,ONVIF® Profile T | ||
| 付属品 | – | 受信側同軸LANコンバータ(非防爆屋内用) | |
| 重量 | 約13.6kg | 約13.7kg | |
| 使用環境 | -10°C ~ +40°C,45% ~ 85%RH,結露・氷結なきこと 上向き,もしくは天吊・下向き設置 必須 |
||
※RC-360DL/Dの内蔵カメラユニットはCanon「VB-H47(BK)」です。
共通仕様
| ハウジング | 材質 | 耐食アルミニウム合金鋳物 + 強化ガラス窓材 |
|---|---|---|
| 塗装 | メラミン焼付,マンセル2.5PB7/8(オプションで色指定,耐塩塗装可) | |
| 防爆性能 | 耐圧防爆構造 ExdⅡCT6 【検定合格番号 第21443号】 (水素・アセチレン・二硫化炭素・硝酸エチルを含むすべてのガスに適合。但し、0種場所を除く) |
|
| 防塵防水性能 | IP66 | |
| 適合ケーブル※ | 映像・電源共通 | LANケーブル(10BASE-T / 100Base-TX )RJ-45コネクタ 同軸ケーブル 5C,7Cタイプ BNCコネクタ |
| ケーブル径 | Φ6 ~ 8mm (オプションでΦ8 ~ 10mm,Φ10 ~ 12mmへ変更可) |
|
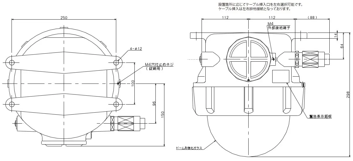
| 外形寸法 | W 285mm × D 280mm × H 298mm (ケーブルグランド除く) | |
※ケーブルは付属しません。
外形図

オプション品

壁面取付金具
TK-10
