
耐圧防爆ネットワークHUB
LC-200
耐圧防爆構造:ExdⅡBT4
防塵防水性能:IP65
価格:オープン価格
Zone1
Zone2
製品の特長
ネットワークの中継やカメラへの給電に対応した防爆ハブ
- 防爆エリアにおいて、PoE 給電、およびネットワーク型カメラの中継が可能
- PoE は最大4ポート、合計出力 18W まで給電が可能
- 光ケーブルによる長距離のネットワーク通信に対応(シングルモードで最大 20km)
- オプションで同軸ケーブルによる長距離のネットワーク通信に対応(最大 500m)
接続例


機器仕様
| 型式 | LC-200 ※同軸LANコンバータ内蔵タイプの型式は「LC-200CS」です。 |
|||||||||||||
|---|---|---|---|---|---|---|---|---|---|---|---|---|---|---|
| ハウジング | 材質 | 耐食アルミニウム合金鋳物 | ||||||||||||
| 塗装 | メラミン焼付,マンセル5Y7/1(オプションで色指定,耐塩塗装可) | |||||||||||||
| 防爆性能 | 耐圧防爆構造 ExdⅡBT4 【検定合格番号 第TC20930号】 (0種場所を除く、1種・2種場所に適合) |
|||||||||||||
| 防塵防水性能 | IP65(IEC60529) | |||||||||||||
| 電源 | AC 100V 最大 580mA | |||||||||||||
| 通信 | ■PoE HUB部
■同軸LANコンバータ部(オプション)
※同軸LANコンバータ内蔵タイプを選択した場合、受信側同軸LANコンバータ(非防爆屋内用)が付属します。 |
|||||||||||||
| 適合ケーブル※2 | 最大入線数 | 3本(オプションで10本まで追加可能) | ||||||||||||
| ケーブル径 | Φ10~12 (オプションで Φ5~6, 6~8, 8~10, 12~14, 14~16 へ変更可能) |
|||||||||||||
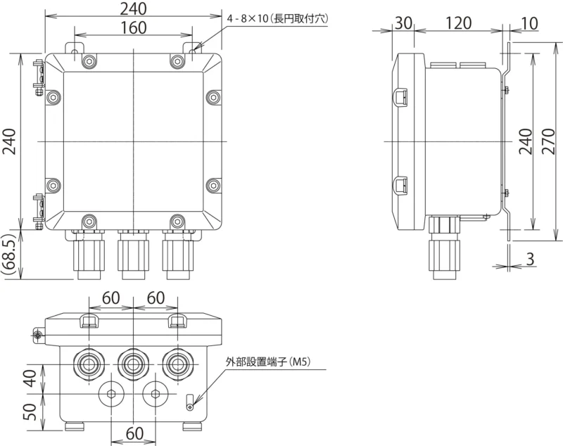
| 外形寸法 | W 240mm × D 240mm × H 160mm(突起部、ケーブルグランドを除く) | |||||||||||||
| 重量 | 約12kg | |||||||||||||
| 使用環境 | -20°C ~ +40°C、45~85%RH、結露・氷結なきこと | |||||||||||||
※1 SFPモジュール搭載可能なPoE HUB搭載時
※2 ケーブルは付属しません。
外形図

